Produkte
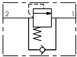
Anti-Kavitationsventil
Anti-Kavitations-Rohrleitungseinbau
Verhindert wirkungsvoll Kavitationseffekte, insbesondere bei schnell schließenden oder drucklosen Verbrauchern, durch gezielte Druckausgleichsströme.


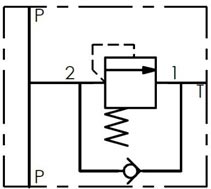
Druckbegrenzungsventil (Zwischenflansch)
Druckbegrenzungs-Zwischenflanschventil:
Schützt den Hydraulikkreis zuverlässig vor Überdruck durch kontrolliertes Ableiten des überschüssigen Volumenstroms.

